![双筒网式磁芯过滤器(SWCQ型,JB/ZQ4592-97)]()
双筒网式磁芯过滤器(SWCQ型,JB/ZQ4592-97)
一、概述
产品适用于公称压力为0.63MPa的稀油润滑系统中,用以过滤润滑油中的污垢杂质,由于内部装有磁芯,因此还能吸附磁性的微粒(这种微粒能通过滤网)避免机械摩擦副的过早磨损;在性能上优于一般的过滤器;由二组过滤筒和一个三位六通阀组成,工作时一过滤筒工作,另一过滤筒备用,可实现不停车切换过滤筒,达到润滑系统连续工作的目的。
二、技术参数

注:滤芯清洗压降不大于0.15MPa。
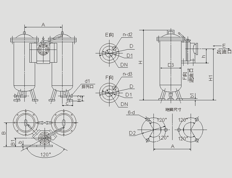
三、外形结构及尺寸


(续上表)

法兰连接尺寸按JB/T81《凸面板式平焊钢制管法兰》(PN=1MPa)的规定。
四、型号标注说明
公称通径为50的双筒网式磁芯过滤器;